中文版
|
ENGLISH
|
微信
首页
热轧
带材
板卷
冷轧
压延
板卷
制管
管
制品
制品
装饰
加工
第一资讯
行业动态
财经信息
供求信息
会展信息
政策法规
行业标准
基础知识
商情世界
实时行情
价格行情
统计数据
区域之窗
佛山地区
揭阳地区
肇庆地区
潮州地区
江门地区
中山地区
广州地区
阳江地区
关于协会
协会简介
领导成员
协会章程
分支机构
组织架构
选举制度
理(监)事成员
协会公众号
会员专区
会员推荐
会员专访
会员新闻
品牌推荐
招聘发布
协会会刊
资料下载
入会指南
当前位置:
首页
>
第一资讯
>
行业标准
最新通知
关于任命广东省不锈钢材料与制品协会专职副秘书长的公告
关于广东省不锈钢材料与制品协会新增会员的公告
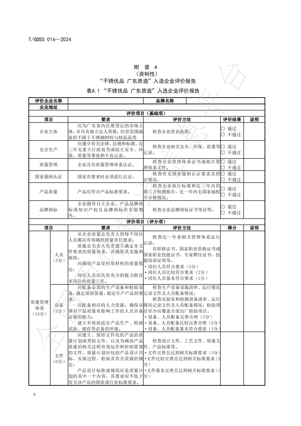
《“不锈优品 广东质造”入选企业评价规范》发布
关于举办2024广东不锈钢行业年会的通知
关于举办广东不锈钢企业高级合规管理人员培训班的通知
广东省不锈钢材料与制品协会新增会员名单公告
广东省不锈钢材料与制品协会增补副会长和理事公告
关于召开广东省不锈钢材料与制品协会三届一次理事会议的通知
《户内给水用不锈钢管》公开征求意见
《不锈钢管道选购指南》编印启动,入编申报→
第一资讯
行业动态
财经信息
供求信息
会展信息
政策法规
行业标准
基础知识
行业标准
《“不锈优品 广东质造”入选企业评价规范》发布
上一篇:
《户内给水用不锈钢管》团体标准正式发布
下一篇:
返回列表